烧结机台车轮结构优化改型

2024-10-18 来源:宁波钢铁有限公司

  要:针对宁波钢铁二期烧结台车轮在使用过程中易出现台车轮轮轴承损坏脱落、轴承窜动、台车轮密封效果差等问题,对台车轮结构与轴承配合进行了分析。同时结合一期烧结机结构与尺寸要求,对二期烧结机台车轮结构进行了优化改型,改型后与一期烧结机台车轮通用,减少了备件种类。

关键词:烧结机;台车轮;轴承;密封。

 

1 前言

宁波钢铁二期烧结机有效烧结面积为430㎡,长度为88.8m,台车装机数量为144台。烧结机作为烧结生产关键重要设备,其主要功能将按一定比例均匀混合的精矿粉、富矿粉、焦碳、熔剂和返矿进行燃烧,使其固结成为有较高含铁量、有足够强度、化学成分稳定、粒度均匀和还原性能良好的烧结矿,为下一步工艺高炉冶炼铁水供原料其中烧结机台车又是烧结机的重要组成部分,烧结料的承装、烧结矿的装料、烧结、缷料均由台车来完成,如果烧结机台车出现故障后将直接影响烧结生产。

 

2 目前系统存在的问题

    宁波钢铁二期烧结机台车在线运行共有144台,共有628套车轮,运行过程中多次出现台车轮轴承轴承损坏后台车轮脱落的故障,如在弯道处脱落将造成卡台车,引起重大设备事故,严重影响烧结生产的稳定性;统计自201212月份投产至今,发生台车轮脱落50次,车轮脱落造成烧结机卡停故障15。再有该台车轮轴承外圈与车轮内圈设计为间隙配合,运行过程中轴承在车轮内部易发生轴向窜动;台车轮内侧密封采用U型无骨架密封,密封效果差(如图2-1所示),影响台车轮与轴承的使用寿命。

1729219043479.png 

2-1 车轮内部润滑脂呈油泥状态

台车轮故障率高导致更换下线台车数量多,造成台车更换与修复费用较高;由于车轮数量较多,轴承损坏后在线更换台车,易引起脱硫脱硝超低排放粉尘超标,增加了烧结矿产量成本和能耗损失。

 

3 台车轮装配体结构分析与改型

3.1 台车轮装配体结构分析

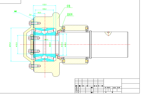
二期烧结机台车轮装配体原结构设计如图3-1所示,主要由车轮、双列圆锥滚子轴承(352224)、轴承压盖、台车轮压盖、止动垫、U型油封、密封环、隔离环、滚套、轴衬、轴等零部件组成。

1729219289972.png 

3-1台车轮原设计装配图

车轮在轴肩一侧内环凸台与轴承内圈无接触,轴承滚动体脱落后,车轮即失去轴向阻力作用,故轴承滚动体损坏后,极易从轴上脱落,如图3-2所示。

 1729219308907.png

3-2 台车轮脱落状态

台车轮密封如图3-1所示(序号36),密封采用U型油封,烧结矿颗粒落入台车轮轴位置,油封随着运转磨损,细小颗粒物容易进入轴承内部,导致滚动体磨损损坏。

3.1 台车轮装配体改型

针对二期烧结机台车轮结构设计的缺陷,结合一期烧结机台车轮的结构使用情况,未出现过台车轮脱落现象,参照一期台车轮结构,将二期台车轮优化改型设计为一期防脱落结构,一期烧结机台车轮装配体如图3-3所示。

1729219356537.png 

3-3一期烧结机台车轮装配图

3.1.1台车轮装配优化改型一

     在保证二期台车轮装配体零部件变动量少的情况下,对台车轮装配体进行了第一次优化改型,如图3-4所示。此次改型只对车轮与密封环进行了改型,未对密封结构进行改型其他零部件与原台车轮通用。此次改型上机使用后发现车轮内圈凸台偏薄、强度不够,厚度为9mm,如图3-5所示。运行一段时间后凸台便被磨损变形、U型油封沟槽挤压变形,台车轮下线修复后无法继续使用,导致车轮消耗量增大、备件费用增加,且密封结构无改型,细小烧结矿颗粒依然能够进入轴承内部。综上所述此种结构无法满足现场使用要求。

 

       1729219367684.png 

                        3-4 台车轮装配优化改型一

              1729219375961.png 

            3-5 台车轮装配优化改型一

3.1.2台车轮装配优化改型二

    在台车轮装配优化改型一使用后不能满足使用要求的情况下,对台车轮装配进行了二次优化改型,此次优化改型对车轮内圈凸台、密封环结构及隔离环(1)同时进行了改型,如图3-6所示。

                    1729219457092.png 

3-6 台车轮装配优化改型二

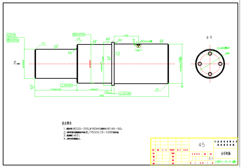
1)车轮轴改型:此次改型为保证车轮、滚套、隔离环(2)等零部件与一期台车轮装配体通用,且须保证台车轮轨道中心距与滚套中心距与原尺寸相同,台车装配体两端滚套中心距为5940mm、台车轮中心距为6305mm,如图3-7所示。此次须对台车轮轴尺寸进行改型设计,如图3-8所示。

1729219511005.png 

                  3-7 二期烧结机台车外形尺寸图

        1729219523626.png 

3-8 二期烧结机台车外形尺寸图

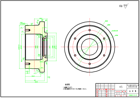
    2)车轮改型 改型后车轮结构如图3-9所示,改型后车轮内侧凸台宽度又改型二的9mm增加至32mm,增加了其强度。

1729219563836.png 

3-9 改型后台车轮

4密封环改型 改型后密封环如图3-10所示,此密封环与车轮装配沟槽形成迷宫密封,可以防止烧结矿细小颗粒进入轴承内部,增加台车轮轴承的密封效果。

1729219579175.png 

                   3-10 改型后密封环

(5)轴承配合选型 原轴承外圈与车轮内圈配合为φ215K7/f9,为增加轴承外圈与车轮内孔的配合紧力,须改进配合,台车本体重约10t,装料后重约20t,台车轮轴承(双列圆锥滚子轴承)承受重冲击载荷,根据机械设计手册[1]对轴承外圈配合进行选型为φ215M7/h7。  

  

4 双列圆锥滚子轴承的安装

    双列圆锥滚子轴承由两个外圈、一个隔圈、一个内套组成。轴承安装是否符合要求对轴承使用寿命至关重要,为保证台车轮轴承的使用寿命,保证轴承安装符合标准要求,因此制定了台车轮轴承安装规范。

4.1 轴承安装

在安装轴承之前,受限要确保工作环境干净,并清理好台车轮内孔和轴的工作表面,同时检查轴承、轴、台车轮内孔的尺寸、形状和表面质量符合要求。由于台车轮结构及现场安装条件无法使用压力机压入的方法安装,因此选择热装法,采用感应加热装置对其进行加热,可以在短时间内完成加热,安装效率高、清洁。轴承的加热温度,以轴承的尺寸、所需的过盈量,参考图4-1决定[2],热装作业时轴承加热温度不得超过120

 

1729219592955.png 

4-1 加热温度和内圈的膨胀量

 

4.2安装注意事项

4.2.1在安装轴承之前,在与轴承的配合表面(轴与车轮内孔)上图涂一层润滑油,以便更容易将轴承安装到位。

4.2.2 将轴承安装至正确位置后,确定轴承的轴向位置并进行固定,使用轴承压盖压紧轴承内圈的方式进行固定,同时对轴承的游隙进行测量调整。在进行固定时,要确保轴承能够自由旋转,并且不得有过多的松动。

4.2.3使用才吃检查轴承径向游隙时,应轻轻将被检查的股东提压向轴承的中部挡圈;将塞尺插入滚子与滚道之间,相邻3个滚动体可以通过,则为最大游隙,相邻3个滚动体不可以通过,则为最小游隙;轴承安装在轴上,应检查轴承下部滚动体。根据经验总结及相关标准,轴承径向游隙规定为0.170.23mm

4.2.4 测量配合面的尺寸公差,应选择与轴承精度相匹配的量具。通常用内径或外径千分尺来测量轴颈、内孔(一般在两个横截面和四个不同位置进行测量),并与图纸比对,衡量是否满足装配要求。

4.2.5台车轮组装完成后,采用加油枪注油的方式进行加油,保证加油的清洁,同时以车轮内部油脂开始外溢时为加满标准。

 

5结语

    通过对台车轮优化改型及轴承安装方式规范化,台车轮轴承润滑效果改善改善,使用寿命显著提高,可以有效避免车轮脱落卡停烧结机现象。二次改型后与一期烧结机台车轮相比,除车轮轴(由于车轮轴安装在台车体上孔尺寸不同)、车轮滚套内侧隔环(由于车轮轴不同所致)与一期台车轮不同之外,其余均可互换,尺寸完全相同,减少零部件种类,降低了库存备件费用。通过对轴承安装技术要求标准化,规范更换轴承的安装方法,保障轴承安装达到规定的技术要求。通过近年标准的执行设备运行1年来未发生改型后台车轮脱落的设备故障大大减少设备备件费用及维修费用,有力地保障了生产的稳定顺行

 

 

 

参考文献

[1] 成大先.机械设计手册(第五版 2卷),北京:化学工业出版社,2008。

[2] NSK《滚动轴承综合样本》(CAT.No.1102f)·2009。